Sterke en betrouwbare trekhaakkogel met moer en borgring. Eenvoudig te monteren dankzij M22 draad. Geschikt voor aanhangers tot 2000 kg. Lees meer.
of “Betaal achteraf met Billink”
Betrouwbare trekhaakkogel voor elke klus:
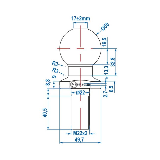
 De ProPlus trekhaakkogel is een essentieel onderdeel voor iedereen die regelmatig een aanhanger of caravan trekt. Met een diameter van 50 mm en een draadmaat van M22 x 40,5 mm, biedt deze trekhaakkogel de perfecte combinatie van stevigheid en betrouwbaarheid. Of je nu op weg bent naar de camping of een lading bouwmaterialen vervoert, deze trekhaakkogel zorgt ervoor dat je veilig en zonder zorgen kunt rijden.
Hoogwaardige materialen en constructie:
 Deze trekhaakkogel is vervaardigd uit hoogwaardig staal, wat zorgt voor een lange levensduur en uitstekende prestaties onder zware omstandigheden. De meegeleverde moer en borgring zorgen voor een stevige en veilige bevestiging, zodat je je geen zorgen hoeft te maken over losraken tijdens het rijden. Bovendien is de kogel E13-gekeurd (R55), wat betekent dat hij voldoet aan strenge Europese veiligheidsnormen.
Uitstekende draagkracht en veelzijdigheid:
 Met een maximale draagkracht van 2000 kilo en een kogeldruk van 200 kg, is deze trekhaakkogel geschikt voor een breed scala aan toepassingen. Of je nu een zware aanhanger, caravan of boottrailer trekt, deze trekhaakkogel kan het allemaal aan. De robuuste constructie en betrouwbare prestaties maken het een onmisbaar accessoire voor elke serieuze bestuurder.
Met de ProPlus trekhaakkogel ben je verzekerd van een betrouwbare en veilige verbinding tussen je voertuig en aanhanger. De hoogwaardige materialen en robuuste constructie maken het een duurzame keuze voor elke bestuurder. Of je nu een ervaren caravanner bent of gewoon af en toe een aanhanger gebruikt, deze trekhaakkogel biedt de prestaties en betrouwbaarheid die je nodig hebt.
Zoekwoorden: Schroefkogel, Trekhaak kogel, Koppelkogel, Koppelingskogel, Kogelstang, Kogelstangen, Trekhaakkogel
 
      